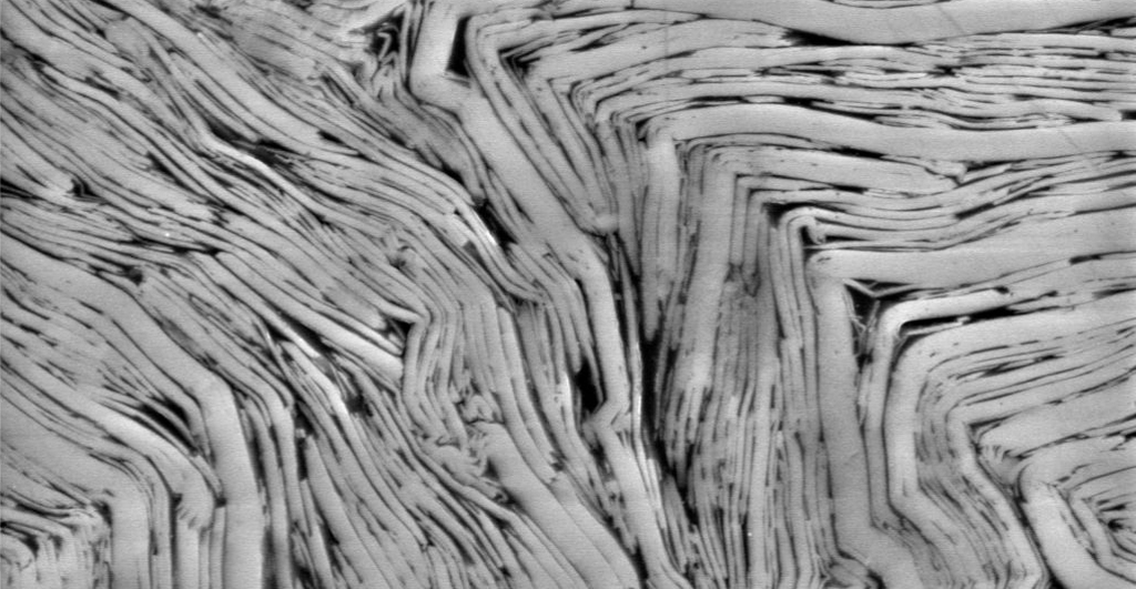
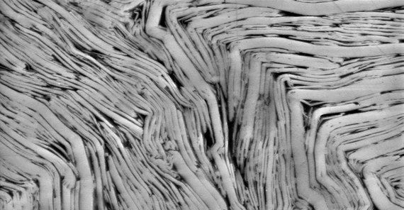
Geologinnen und Geologen untersuchen die Vielfalt der Landschaften und Strukturen unseres Planeten. Sie analysieren Faltungen und Metamorphosen und finden so immer mehr Details über den Aufbau der Erde heraus. Das wir heute die Prozesse, die zur Bildung gewaltiger Gebirge und tiefer Ozeane führen, überhaupt verstehen, liegt daran, dass selbst kleinste Details und Erscheinungen in den Gesteinsschichten der Erde wissenschaftlich beobachtet und untersucht werden. Erdwissenschaftlerinnen und -wissenschaftler sind dabei darauf angewiesen, Gesteine und Strukturen auf der ganzen Welt im Detail untersuchen und vor allem miteinander vergleichen zu können. Eine zeitaufwendige, kostspielige und manchmal auch gefährliche Arbeit.
Geowissenschaftlerinnen und -wissenschaftler der ETH Zürich haben in den vergangenen Jahren eine Datenbank geologischer Phänomene aufgebaut, die jetzt an der Universität Potsdam ihren Relaunch erfährt und fortgeführt wird. Diese Datenbank basiert auf einer Idee, die in der Biologie schon seit langem umgesetzt wird: Beispielhafte Exemplare einer Spezies werden als Referenz-Individuen in Museen bewahrt und Wissenschaftlerinnen und Wissenschaftlern aus aller Welt für die Forschung zur Verfügung gestellt. Allerdings können Gebirge schlecht in einem Museum konserviert werden. Daher sammeln Gerold Zeilinger und seine Kolleginnen und Kollegen Fotos von geologischen Phänomenen – sowohl von großräumigen Strukturen wie auch von kleinsten Mineralen und Kristallen. Zum einen können Forschende aus aller Welt so virtuell an die Entlegensten Orte reisen und sich zum Beispiel Landschaftsstrukturen der Antarktis ansehen. Zum anderen können sie aber auch Vergleiche mit anderen, weit entfernten Regionen ziehen, um zum Beispiel Ähnlichkeiten in der Verformung der Gesteine festzustellen.
Die Datenbank nennt sich DIoGeneS (Digital Images of Geologic & nice Structures) und enthält neben den Fotos auch detaillierte Beschreibungen der jeweils gezeigten Strukturen. Darüber hinaus sind Kontaktdaten hinterleget, die es erlauben, sowohl den Fotografen oder die Fotografin des Bildes wie auch Expertinnen und Experten zur gezeigten Struktur schnell zu kontaktieren. So wird über DIoGeneS auch der Austausch zwischen den Forschenden gefördert, die mithilfe der Datenbank Basaltsäulen des Odenwaldes mit denen an der irischen Küste oder ähnlichen Strukturen im Iran vergleichen können, ohne dafür lange, beschwerliche Reisen unternehmen zu müssen.
Die DIoGeneS-Datenbank ist nach dem Philosoph Diogenes von Sione benannt, der als „Aktionsphilosoph“ eigenes Wissen und neue Erkenntnisse aktiv und öffentlich teilen wollte. Wie der Philosoph vor rund 2500 Jahren will die Datenbank das Wissen und die Vielfalt geologischer Strukturen aus aller Welt einem öffentlichen Publikum und Nutzer zur Verfügung stellen. Daher ist die Nutzung von Diogenes kostenfrei und für jeden möglich. Auch kann jeder, ob Fachwissenschaftlerin und -wissenschaftler oder Hobby-Geologin und -geologe, eigene Bilder in die Datenbank einstellen. Die jedem Bild zugeordneten Informationen werden dabei immer von Forschenden vom Fach überprüft und verifiziert.
DIoGeneS befindet sich im stetigen Aufbau. Ziel ist es, eine Vereinfachung der strukturellen Klassifizierung zu bieten, als interaktives Archiv zu dienen, vertiefende Informationen zu einzelnen Strukturen zu liefern und die Dynamik der „festen“ Erde zu zeigen.
DIoGene ist unter der Internet-Adresse https://www.diogenes.uni-potsdam.de nutzbar.

